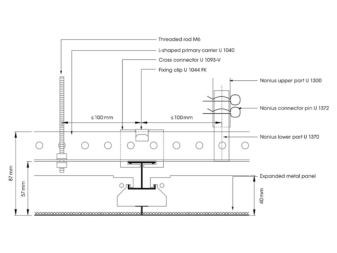
RHOMBOS S10H Streckmetalldecke

Doppelhakensystem

S10 H RHOMBOS ist ein Doppelhakensystem mit unsichtbarer Unterkonstruktion. Das System eignet sich für die unterschiedlichsten Anwendungen. Die Platten lassen sich formschlüssig und spannungsfrei in das System einhängen und sind einfach und werkzeuglos zu demontieren. 

  • Flexible Gestaltungsmöglichkeiten

Technische Informationen

Abmessungen

Länge: ≤3000mm
Breite: ≤1100mm
Empfohlene Fläche: 1,5m²
Standardmäßig mit aufgeschweißtem Rahmen, andere Ausführungen möglich.
 

Material und Oberfläche

Stahl verzinkt, Aluminium auf Anfrage: Silbermetallic (ähnlich RAL 9006), Weiß (RAL 9016 matt DUROPLAN Typ 1), Chrombrillant mit Klarlack. Andere Pulverbeschichtungen auf Wunsch.
 

Akustik und Maschen

Schallabsorption: standardmäßig über schwarzes Akustikvlies (αw=0,45; NRC=  0,40)
Standardmaschengrößen: M110, M260, M400. Andere Maschengrößen möglich.
 

Brandverhalten:

Standard: A2-s1.dO nach EN13501-01 (nicht brennbar)